Wiring Diagram For A Ultrasonic Sensor With Buzzer Hc Circuit Diagram
Wiring Diagram For A Ultrasonic Sensor With Buzzer Hc Circuit Diagram The figure above shows a simple IC 741 based ultrasonic sound sensor alarm circuit. The detecting device used here is an ordinary electret condenser mic. The mic input is fed to the inverting input of the IC pin#2. How it Works. Pin#3 of the IC is appropriately clamped to a suitably selected reference voltage with respect to the pin#2 of the IC.

The high logic can be used as an input to a microcontroller circuit or to operate a relay driver stage. Final Words. The ultrasonic alarm circuit is a great way to trigger an alarm when something or someone moves within a certain range. It's a low-cost and easy-to-build project and is a great way to learn about ultrasonic technology and UltraSonic Proximity Alarm: This is a quick and easy guide on how to make a proximity alarm using a HC-SR04 Ultrasonic sensor, Arduino UNO, Arduino breadboard, and a 6V DC buzzer. Once you have completed the physical circuit, now you plug in the code for the Arduino UNO. Copy and paste the code below. You can use door/window magnetic sensors, ultrasonic sensors, or even pressure sensors, depending on the specific application you have in mind. 3. Is it safe to build an alarm circuit at home? Creating a simple alarm circuit is an enriching experience that offers both practical benefits and a deeper understanding of circuit design. Whether

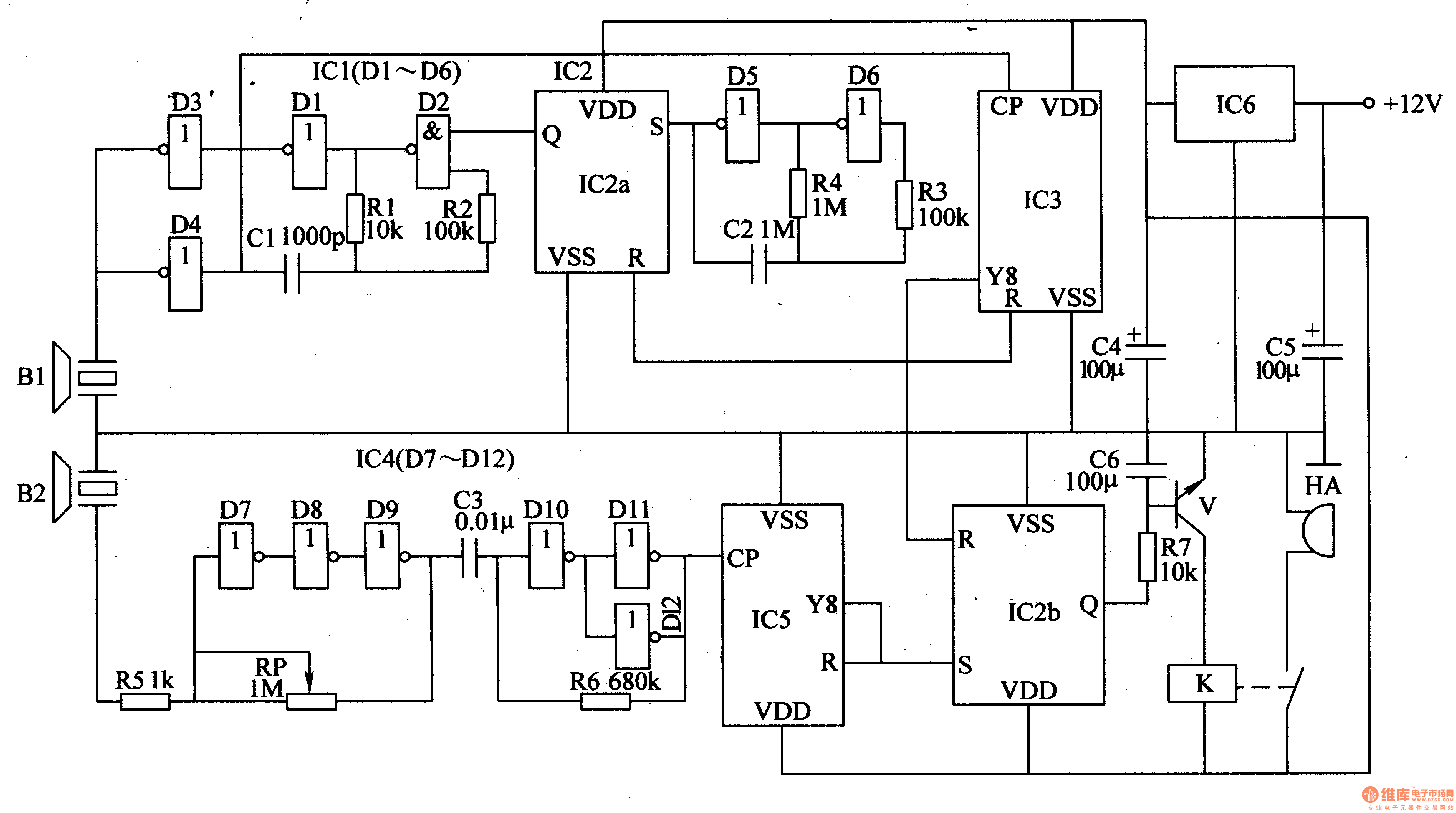
Simple Ultrasonic Security Alarm Circuit Circuit Diagram
Arduino Ultrasonic Alarm: Using an Arduino UNO, an Ultrasonic Sensor, and a RFID Reader, you can create a simple alarm which when placed near a door, senses if that door has been opened or if someone has come in and triggers an alarm which would sound a buzzer and flash a seโฆ

An Ultrasonic Security Alarm Circuit acts like an invisible force field for your home.. It uses high frequency sound waves, like super squeaks that humans cannot hear to detect movement.. Imagine the circuit sending out these sound waves and then listening for them to bounce back. If something walks through the area and disrupts the waves the circuit knows someone might be there and triggers Learn how to use the ultrasonic sensor (HC-SR04) with Arduino. This tutorial will teach you what it is, how to assemble the sensor on Arduino, and, at the end, you'll implement it into an alarm system project. Ultrasonic sensor with Arduino - Complete Guide.

6 Best Ultrasonic Circuit Projects for Hobbyists and Engineers Circuit Diagram
When writing the code we will not to use any libraries. I set the maximum distance to 100 cm for example purposes. However you can choose what ever distance you would like to set as the maximum distance where the buzzer will go off. Just make sure if you are changing one number then just check the rest of the code and make sure the numbers make Figure.1 This simple ultrasonic generator may be constructed without much difficulty and very quickly. Our very first circuit, is shown in the above Fig, is an ultrasonic generator which uses the well-known 555 IC timer in a adjustable frequency astable multivibrator circuit. The design outputs a square wave signal which, works with R2, for tuning through around a frequency range of 12 kHz to

Each HC-SR04 module includes an ultrasonic transmitter, a receiver, and a control circuit. There are only 4 pins that you need to know about the HC-SR04 Sensor: VCC (Power), GND (Ground), Trig (Trigger), and Echo (Receive), and. You will find this sensor very simple and easy to set up and use for your next DIY projects & tutorials.
